Опора оси DIN 15058
| Характеристики | |
| Материал: | Сталь |
- Код товара: DIN 15058
Не нашли нужный материал или крепеж?
Отправьте нам заявку - мы изготовим.
Для более подробной консультации позвоните +7 (495) 505-01-10 или напишите нам письмо на
info@super-krepeg.ru
DIN 15058 - опора оси для подъемных механизмов

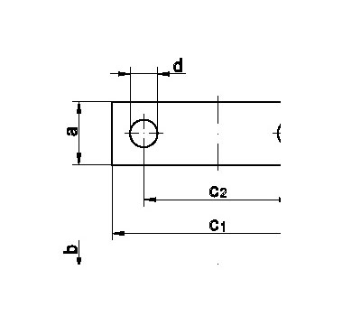
| Размеры (мм) | c1 | c2 | d | для оси Ø |
| 20 x 5 | 60 | 36 | 9 | 16 - 25 |
| 25 x 6 | 80 | 50 | 11 | 25 - 40 |
| 30 x 8 | 100 | 70 | 13 | 40 - 63 |
| 40 x 10 | 140 | 100 | 17 | 63 - 100 |
| 50 x 12 | 190 | 140 | 21 | 100 - 160 |

