Винт ГОСТ 1478-93 установочный с цилиндрическим концом и прямым шлицем
- Код товара: ГОСТ 1478-93
Не нашли нужный материал или крепеж?
Отправьте нам заявку - мы изготовим.
Для более подробной консультации позвоните +7 (495) 505-01-10 или напишите нам письмо на
info@super-krepeg.ru
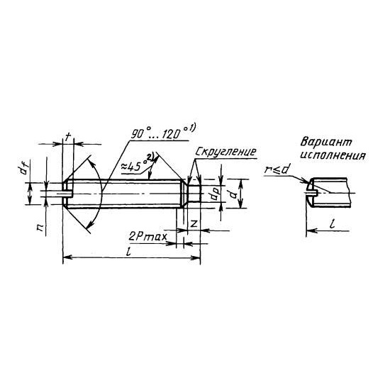
ГОСТ 1478-93 - винты установочные с цилиндрическим концом и прямым шлицем
Посмотреть документацию по ГОСТ 1478-93 

Таблица 1
| d | Шаг резьбы P | dp | n | t | z | ||||||
| мин. | макс. | номин. | мин. | макс. | мин. | макс. | мин. | макс. | |||
| 1.6 | 0.35 | 0.55 | 0.8 | 0.25 | 0.31 | 0.45 | 0.56 | 0.74 | 0.8 | 1.05 | |
| 2 | 0.4 | 0.75 | 1 | 0.25 | 0.31 | 0.45 | 0.64 | 0.84 | 1 | 1.25 | |
| 2.5 | 0.45 | 1.25 | 1.5 | 0.4 | 0.46 | 0.6 | 0.72 | 0.95 | 1.25 | 1.5 | |
| 3 | 0.5 | 1.75 | 2 | 0.4 | 0.46 | 0.6 | 0.8 | 1.05 | 1.5 | 1.75 | |
| (3.5) | 0.6 | 1.95 | 2.2 | 0.5 | 0.56 | 0.7 | 0.96 | 1.21 | 1.75 | 2 | |
| 4 | 0.7 | 2.25 | 2.5 | 0.6 | 0.66 | 0.8 | 1.12 | 1.42 | 2 | 2.25 | |
| 5 | 0.8 | 3.2 | 3.5 | 0.8 | 0.86 | 1 | 1.28 | 1.63 | 2.5 | 2.75 | |
| 6 | 1 | 3.7 | 4 | 1 | 1.06 | 1.2 | 1.6 | 2 | 3 | 3.25 | |
| 8 | 1.25 | 5.2 | 5.5 | 1.2 | 1.26 | 1.51 | 2 | 2.5 | 4 | 4.3 | |
| 10 | 1.5 | 6.64 | 7 | 1.6 | 1.66 | 1.91 | 2.4 | 3 | 5 | 5.3 | |
| 12 | 1.75 | 8.14 | 8.5 | 2 | 2.02 | 2.31 | 2.8 | 3.6 | 6 | 6.3 | |
Таблица 2
| d | 2 | 2.5 | 3 | 4 | 5 | 6 | 8 | 10 | 12 | (14) | 16 | (18) | 20 | (22) | 25 | (28) | 30 | 35 | 40 | 45 | 50 | 55 | 60 |
| 1.6 | * | * | * | * | * | * | * | ||||||||||||||||
| 2 | * | * | * | * | * | * | |||||||||||||||||
| 2.5 | * | * | * | * | * | * | |||||||||||||||||
| 3 | * | * | * | * | * | * | * | ||||||||||||||||
| (3.5) | * | * | * | * | * | * | * | * | * | ||||||||||||||
| 4 | * | * | * | * | * | * | * | * | * | ||||||||||||||
| 5 | * | * | * | * | * | * | * | * | * | ||||||||||||||
| 6 | * | * | * | * | * | * | * | * | * | * | * | * | |||||||||||
| 8 | * | * | * | * | * | * | * | * | * | * | * | * | |||||||||||
| 10 | * | * | * | * | * | * | * | * | * | * | * | * | * | ||||||||||
| 12 | * | * | * | * | * | * | * | * | * | * | * | * | * | * |
Пример условного обозначения установочного винта с цилиндрическим концом и прямым шлицем класса точности В, диаметром резьбы d=10 мм, с полем допуска 6q, длиной l=25 мм, класса прочности 14 Н, без покрытия:
Винт М10-6g х 25.14Н ГОСТ 1478-93
То же, класса точности А, класса прочности 45Н, из стали 40Х с химическим окисным покрытием, пропитанным маслом:
Винт А.М10-6g х 25.45Н.40Х.05 ГОСТ 1478-93
То же, из латуни ЛС 59-1, без покрытия:
Винт А.М10-6g х 25.32.ЛС59-1 ГОСТ 1478-93
